MACH3 kontrolna USB pločica za 4 ose

2.810,00 рсд Konačna cena

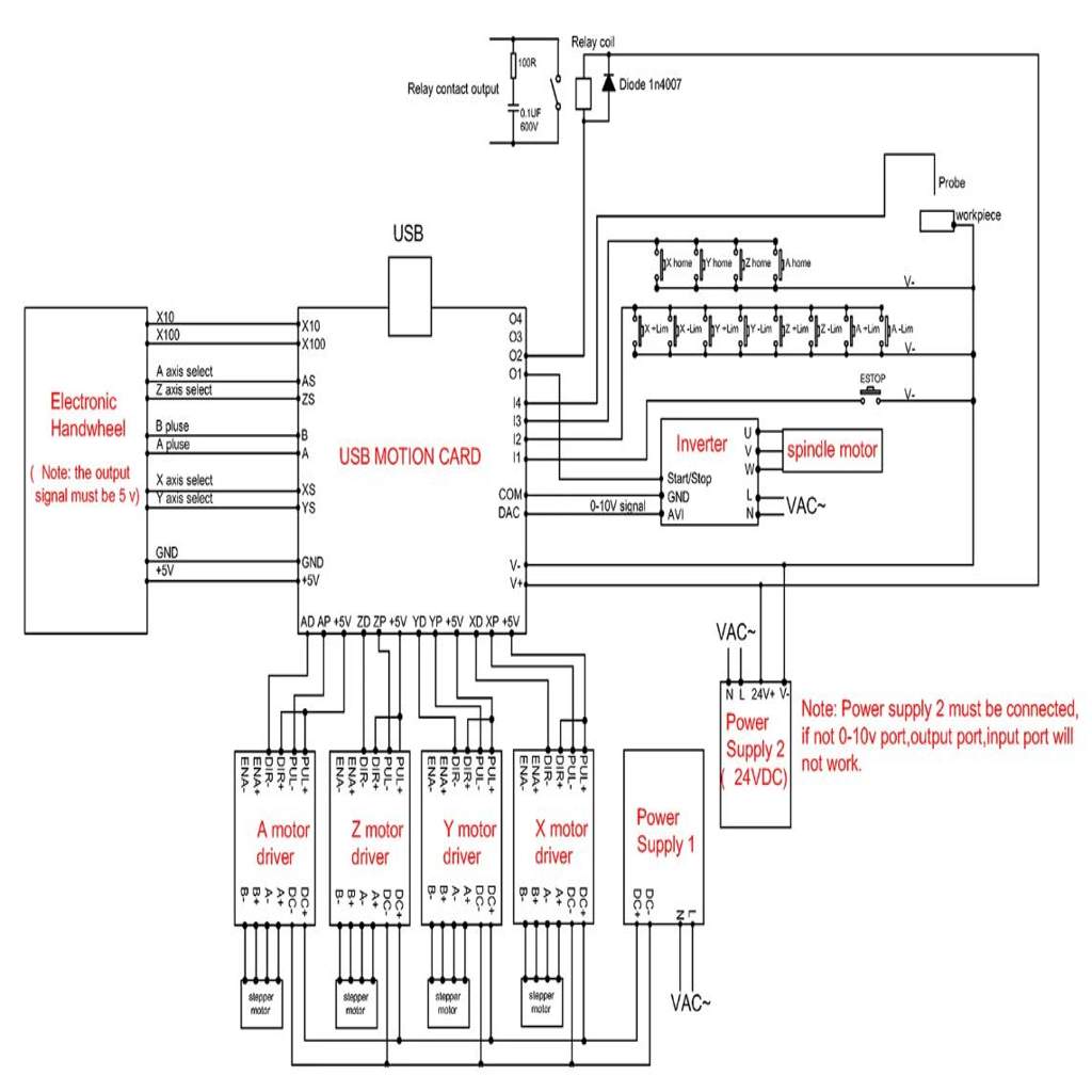
MACH3 kontrolna ulazno/izlazna ploča za CNC.

4-osni CNC USB kontroler

Ovaj 4-osni CNC USB kontroler je dizajniran da se koristi za notebook računare i tablete, jednostavnu konfiguraciju i kompatibilnost. Može se koristiti za kontrolu različitih mašina kao što su CNC ruteri, glodalice i strugovi.

Mach3 USB kontroler kartice ima izlaznu brzinu pulsa od 100KHz.

  • Podrška za 4-osno povezivanje, možete povezati četiri koračna motora ili servo pogone.
  • Maksimalna frekvencija step-pulsa je 100KHz, što je pogodno za servo ili koračni motor.
  • Podržava alat za automatsku sondu.
  • Podrška za hitni unos.
  • Podrška za krajnji prekidač.
  • Podrška za povezivanje elektronskog ručnog točka.
  • Potrebno je koristiti eksterno napajanje od 24V DC da biste izolovali USB i eksterni port i da biste sistem učinili stabilnijim.
  • Ima izlazni port 0-10V, možete koristiti Mach3 softver za kontrolu brzine motora vretena.
  • 4 ulaza opšte namene – možete povezati granični prekidač, E-Stop prekidač, prekidač sonde, nazad na nulu i drugi uređaj.
  • 4 izlazna interfejsa izolovanog relejnog pogona opšte namene – može da pokreće četiri releja za kontrolu pokretanja vretena, rotacije unapred i unazad, pumpe i drugih uređaja.
  • 1 statusna LED – označava status veze na ploči.

MPG konektor (10-pinski trakasti)

Ovo je 10-pinski trakasti konektor za MPG (ručni generator impulsa).

  • 5V i GND se koriste za napajanje MPG enkodera.
  • X, Y, Z i A su pinovi za biranje ose za odabir ose za pomeranje (primer: ako želite da izaberete X osu za pomeranje, morate da povežete X pin sa GND pinom).
  • A-CH i B-CH su signali za povezivanje enkodera ili MPG točka.
  • X10 i X100 su selektori za množenje rezolucija koraka po impulsu enkodera, oba spojena je X1 podrazumevano.

NAPOMENA: Nemojte prekoračiti ulaz od 5V jer će ulaz kontrolera izgoreti.

U okviru firme NIVA CNC obezbeđujemo brzu i pouzdanu isporuku svih narudžbina na teritoriji Srbije.

Sve naše proizvode testiramo pre slanja i nabavku vrsimo direktno i iskljucivo od proverenih proizvodjaca.

Načini isporuke

Lično preuzimanje
Robu možete lično preuzeti uz prethodni dogovor na našem prodajnom mestu. Za termin preuzimanja slobodno nas kontaktirajte telefonom.

Kupci koji žele lično da preuzmu proizvode moraju prethodno izvršiti uplatu na račun firme(160-60002318970-76) pre preuzimanja robe.

Dostava na kućnu adresu
Sve porudžbine šaljemo brzom poštom na adresu kupca. Isporuka je moguća širom Srbije.

Vreme slanja

Trudimo se da sve narudžbine pošaljemo istog dana.
U slučaju većeg obima posla, paketi se šalju najkasnije narednog radnog dana.

Podaci firme

NIVA CNC
Tekući račun: 160-60002318970-76
Kontakt telefon: 065 851 0080

Proizvode poručene na sajtu možete platiti pouzećem ili uplatom na račun. Za sve informacije o načinu plaćanja možete nas kontaktirati telefonom 065/85-100-80 putem mail adrese nivacncsabac@gmail.com ili pročitati detaljnije OVDE.

Slični proizvodi